智能电机保护器GYJB5
关键词:
所属分类:
电动机保护器系列
- 产品描述
-

感谢您选择本公司专注各种智能电动机保护器系列产品,本品具有独立发明专利产权,高新技术企业。让智能电机保护器变得更简单方便,形成了一套全面、高效的电机健康保护方案。使用该产品前请仔细阅读本手册并妥善保存。
一. 产品概述
电机保护器已有半个世纪的发展历程。其保护功能面向自动化高端方面发展,让大家忽略了生产成本。格瑶科技通过了二十多载专业保护产品研发结晶,综合现有自动化设备的功能后,只要具有最基本的过载、堵转、启动超时、轻载、断相、过压、欠压的保护功能,全面满足了电动机保护产品,并能记忆电机运行时间和故障记录,就地显示运行电流值和电压值。对电机保护器生产功能简化、积约成本、减小体积、简易操作。广泛应用于三相工业电动机保护与控制提供节能双碳。
1. 预设保护值,超时即停
2. 精准自动监测,电压电流
3. 自带灯光,清晰提示
4. 中文指示,便于直观
5. 携手让你惊叹,快速效益
二.技术参数
执行GB/T 14048.5-2020和GB/T 17626.4-2018标准
工作电源电压:AC85~275V
控制承受电压:≦660V
LED数字屏和中文字提示操作
内置三合一电流互感器一次穿线更大承受:160A(大于100A电流建议穿二次变比电流为5A或1A),监测A、B、C相位
互感器穿孔线直径:Φ14mm
保护电流规格范围:00.1~20.0A或001~100A
额定功率:≦2W
故障记忆最近十条信息
独立双组继电器保护点输出:常开和常闭
继电器触点容量:AC220V/5A AC380V/3A
35mm标准导轨或镙丝自由安装
具有可设置功能:过载、轻载、启动延时、过压、欠压、堵转、故障动作时间或关闭此项功能
可查询电动机运行时间、保护参数和故障跳闸原因分析
三.产品外型尺寸:长88*宽52*高84mm


四.操作说明
五.安装说明
1.必须有具备一定电气相关知识的人员安装与检修。
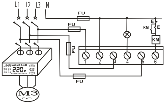
2.检查工作电源和控制电源等级相符要求,并牢固接线(11)。
3.智能电机保护器的工作电源必须保持长期供电。
4.保护器安装在交流接触器上方为宜,电动机三相A、B、C分别穿过(12)孔,穿线孔(12)末分进出线方向。
5.标准导轨35mm卡槽安装(15)到位后,推动(14)固定扣抱死。
6.镙丝固定(13),采用M4直径不锈钢镙丝直接拧紧。
7.接线端子(11)编号1.2脚位保护器工作电源接AC220V,3.4脚位保护继电器J1常开点输出,5.6脚位保护继电器J2常闭点输出控制。
8.检查接线正确无误后送电,保护器屏上显示对称电压值:例
,再启动电动机显示三相电流平均值六.功能设置
1.电机保护器安装无误送电后,保护器显示(8)电压值时或点亮(7)上的“V”字,可以设置各种保护功能参数,当启动电机后保护器显示(8)的电流值或指亮(7)上的“A”字无法设置保护功能,只能查询设定参数或运行时间。
2.按功能键(4)选择功能,再按数据键(5)修改数字每按一次递增数字“1”,按移位键(6)移动光标再按数据键(5)改数,再按功能键(4)自动保存当面修改数值或下翻功能菜单设定,在20秒内没按动任意按键自动保存当前数据退出界面。
3.按以下步骤选择功能设定(动作时间为“秒”为单位)
按功能键
界面显示
可设范围值
保护功能说明
按功能键1次
进入菜单设置界面
按功能键2次
200~265V
出厂默认过压260V,根据实际运行相电压值设置
按功能键3次
000~099S
设000关闭过压保护,设定数字越大动作跳闸越慢
按功能键4次
000~200V
出厂默认欠压180V,按电网实际压降电压值设置
按功能键5次
000~099S
设000关闭欠压保护,设定数字越大动作跳闸越慢
按功能键6次
001~009
出厂默认4倍,堵转电流安过载电流倍数设定
按功能键7次
规格电流内
出厂默认为规格更大过载电流值,需要根据电动机实际运行电流值的1.2倍重设过载保护值
按功能键8次
000~999S
设000关闭过载保护,设定数字越大跳闸时间越慢
按功能键9次
规格电流内
小于电动机运行实际电流值设定
按功能键10次
000~999S
设000关闭轻载保护,设定数字越大跳闸时间越慢
按功能键11次
000~999S
出厂默认3秒,设000关闭断相保护,设定数字越大跳闸动作时间越慢
按功能键12次
001~999S
出厂默认5秒,根据电机实际启动电流到正常运行电流所需时间设定,在启动采集时显示
正常故障复位
当检测电机有故障跳闸后,故障指示灯点亮,并故障中文字的灯也会点亮组合提示故障原因,自锁到故障消除后,再按复位键(6)清除息灯,继电器恢复原状态
故障查询
停机状态下保护器LED屏上(8)显示电压值时,按移位/复位(6)键查询最近一次的故障数据和故障原因,再按此键一次查询最近第二次故障,顺序查询最近十条信息
运行时间查询
电动机在运行一段时间后,停机状态保护器LED屏上(8)显示电压值时,按数据键(5)查询最近一次电动机运行时间,再按一次数据键显示电动机累计运行时间,显示3秒后会自动退出界面,显示当前线电压值
七.接线说明

八. 注意事项
1.安装时请务必保证智能电机保护器没有异物遮挡或有其他污染的环境;
2.本产品必须定期检查,并清除其积尘;
3.根据电动机的额定电流值,选择相应规格的保护器;
4.保护器应安装在交流接触器的上方为宜,各接线端子用途正确连接无误并接触良好;
5.工作电源应接在长期供电控制回路上,并注意标称电压与实际电压相符合;
6.由于用户非正式操作人员(非岗位内或非专业人员)操作以及人为因素或不可抗拒的自然现象所引起的故障或破坏,上述情形不受免费服务和维护协议条款的保护。
7.用户如有特殊功能要求可定做.另行补充
8.由于产品不断的更新,本说明并不能涵盖的所有可能的情况,如有变更恕不另行通知
上一条
下一条
上一条
下一条


